Циклическое реле времени ВЛ-164
(Товар недоступен для заказа)



Предназначено для выдачи команды в цепи управления схем автоматики и других устройств после отработки предварительно установленных выдержек времени.
- Две временные функции:
- циклическое переключение начинающееся "импульсом";
- циклическое переключение начинающееся "паузой". - Универсальное питание АС/DC 12-240 В.
- Индикация наличия питания и состояния выходного ключа.
- Коммутируемый ток 16 А (АС-1).
Выполняемые функции:



Технические характеристики
| Питание, вход | |
|---|---|
| Номинальное напряжение питания: | универсальное AC/DC 12-240 В |
| Потребляемая мощность: | 0,7-3 ВА (0,5-1,7 Вт) |
| Индикация наличия напряжения питания: | зеленый светодиод |
| Выход | |
| Диапазон выдержек времени: Настройка выдержки поворотными переключателями |
(0,1 с до 100 дней) в 10-ми поддиапазонах |
| Погрешность уставки времени | 5 % |
| Разброс: | 0,2 % |
| Погрешность от изменения температуры на 1 °С | 0,01 % (нормальное значение 20 °С) |
| Количество и род выходных контактов: | 1 переключающий |
| Номинальный ток (категория применения АС-1): | 16 А |
| Замыкаемая мощность: | 4000 ВА/АС1, 384 Вт/DC |
| Замыкаемое напряжение: | 250 В (АС1), 24 В (DC) |
| Индикация выхода | мультифункц. красный светодиод |
| Механическая износостойкость: | 3х107 циклов |
| Электрическая изностойкость: | 0,7x105 |
| Диапазон рабочих температур | -20...+55 °С |
| Степень защиты корпуса | IP40 |
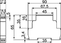
| Габариты, (масса): | 90х17,6х64 мм (68 грамма) |
Временные интервалы:



Выбор функции осуществляется при помощи внешнего соединителя на входе упрапвления "Упр".

