Реле максимального тока РСТ-40М



Основные достоинства реле РСТ-40М:
-
Не требуется оперативное питание (!) – питается от входного тока, вследствие чего обладает высокой помехоустойчивостью, и может применяться вместо реле РТ40, РТ140, РСТ 11, 12, 13, 14, 11М и др.;
-
Реле выполнено на микроэлектронной элементной базе, поэтому в отличие от электромеханических реле обладает высокой виброустойчивостью и ударопрочностью, у него принципиально отсутствует вибрация контактов (как у реле переменного тока);
-
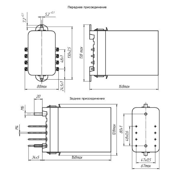
Реле РСТ-40М выполнено в том же корпусе, что и РТ-40, габариты и схема подключения также полностью соответствуют;
-
Подготовка реле требует всего одной операции по настройке тока срабатывания.
Условия эксплуатации реле РСТ-40М
-
Климатическое исполнение УХЛ категории размещения «4» по ГОСТ 15150-69 для России и поставок на экспорт в страны с умеренным климатом и исполнения О категории размещения «4» по ГОСТ 15150-69 для поставок на экспорт в страны с тропическим климатом.
-
Диапазон рабочих температур окружающего воздуха от минус 40 до плюс 55°С.
-
Относительная влажность воздуха до 80% при 25°С для исполнения УХЛ4 (без конденсации влаги).
-
Высота над уровнем моря не более 2000 м.
-
Вибрационные нагрузки диапазоне частот 5 – 15 Гц при ускорении 3g и в диапазоне частот 15 – 100 Гц при ускорении 1g (группа условий эксплуатации М7 по ГОСТ 17516.1).
-
Реле устойчивы к воздействию помех степени жесткости 3 в соответствии с требованиями ГОСТ Р 51317.4.1-2000, ГОСТ Р 51317.4.4-99, ГОСТ Р 51317.4.5-99.
Таблица 1. Исполнение реле по диапазонам уставок
|
Обозначение максимальной уставки по току |
Диапазон уставок по току, А |
Соединение обмоток |
Потребляемая мощность при токе минимальной уставки, не более, ВА |
|||
|
Последовательное |
Параллельное |
|||||
|
Ток срабатывания, А |
Номинальный ток, А |
Ток срабатывания, А |
Номинальный ток, А |
|||
|
0,2 |
0,05— 0,255 |
0,05 — 0,1275 |
0,1 |
0,1 — 0,255 |
0,2 |
2 |
|
0,6 |
0,15— 0,765 |
0,15 — 0,3825 |
0,3 |
0,3 — 0,765 |
0,6 |
2 |
|
02 |
0,5 — 2,55 |
0,5 — 1,275 |
1 |
1 — 2,55 |
2 |
2 |
|
06 |
1,5 — 7,65 |
1,5 — 3,825 |
3 |
3 — 7,65 |
6 |
2 |
|
10 |
2,5 — 12,75 |
2,5 — 6,375 |
5 |
5 — 12,75 |
10 |
2 |
|
20 |
5 — 25,5 |
5 — 12,75 |
10 |
10 — 25,5 |
16 |
2 |
|
50 |
12,5— 63,75 |
12,5 — 31,875 |
16 |
25 — 63,75 |
16 |
2 |
|
60 |
15 — 76,5 |
15 — 38,25 |
16 |
30 — 76,5 |
16 |
3 |
|
100 |
25 — 127,5 |
25 — 63,75 |
16 |
50 — 127,5 |
16 |
5,5 |
|
200 |
50 — 255 |
50 — 127,5 |
16 |
100 - 255 |
16 |
10 |
Таблица 2. Технические характеристики реле РСТ-40М
|
№ |
Наименование параметра |
Значение |
|
1 |
Коэффициент возврата реле, не менее |
0,9 |
|
2 |
Время замыкания замыкающего контакта, не более |
0,05 с при токе 1,2 Iср. 0,02 с при токе 3 Iср. |
|
3 |
Время размыкания замыкающего контакта при уменьшении тока с 10-кратного тока срабатывания до нуля, не более |
0,06 с |
|
4 |
Исполнения выходных контактов |
1з1р (по отдельному заказу возможны исполнения: 2з, 2р, 1п, 1п с усиленными контактами) |
|
5 |
Контакты выходного реле обеспечивают коммутацию электрических нагрузок при токе не более 5 А и напряжении от 24 до 250 В мощностью: |
- 300ВА, в цепях переменного тока при коэффициенте мощности цепи, не менее 0,5 - 20 Вт, в цепях постоянного тока при постоянной времени цепи, не более 0,005 с. |
|
6 |
Средняя наработка на отказ реле, не менее |
12 500 цикл |
|
7 |
Средний ресурс, не менее |
100 000 цикл ВО |
|
8 |
Габариты, mах |
88 х 168 х 138 мм |
|
9 |
Масса, не более |
1,0 кг |
